变频无负压自动增压给水设备工作原理图
时间:2013/7/17 来源:浙江扬子江泵业有限公司
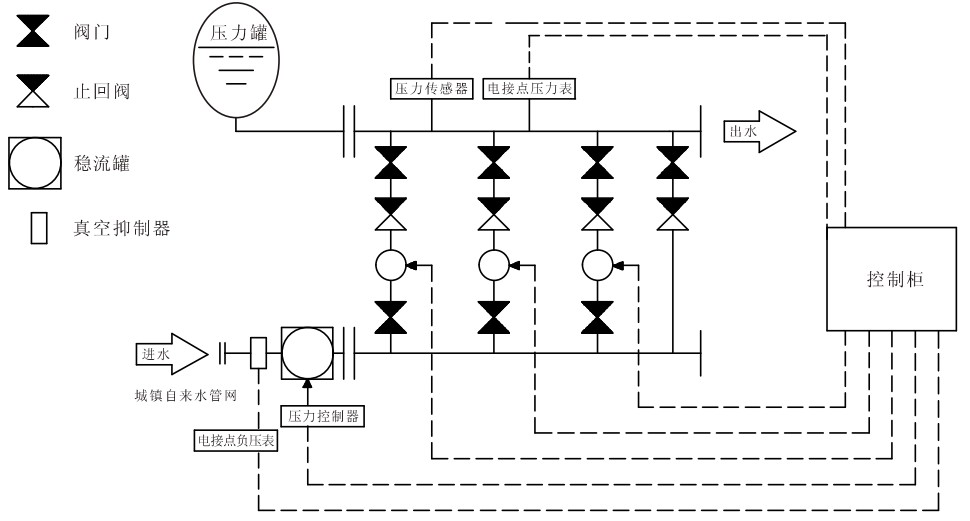
变频无负压自动增压给水设备是有无负压装置和泵组及控制柜组成的供水设备,稳流装置分为开式和闭式,开式流量调节器为不锈钢水箱(称箱式无负压供水设备),闭式流量调节器为不锈钢稳流罐(罐式无负压设备),将系统设备串接在市政自来水管网压力不足的地方,设备通过压力传感器检测出口压力,将检测值和设定值进行比较,运算出在市政自来水管网的原有压力基础上需要增加的压力值,确定水泵投入运行台数和变频器输出频率(反应到电机及水泵为转速)以符合用水曲线实现恒压,变频无负压供水设备大限度地利用了市政自来水管网的原有压力,对市政自来水管网不产生负压,用不锈钢水箱和稳流罐取代老式水池,减少了用水二次污染,是供水领域新一代节能型产品。

u适用范围
居民生活用水:如高层建筑、居民小区、别墅等
公 共 场 所:如医院、学校、体育馆、高尔夫球场、机场
商 用 大 厦:如宾馆、写字楼、百货商场、大型桑拿浴等
灌 溉:如公园、游乐场、果园、农场等
制 造 业:如生产制造、洗涤装置、食品工业、工厂等
其 他:水池及其他形式供水的改造等
变频范围

u使用环境

u功能特点
无负压
-系统与市政自来水管网直联取水加压运行不会造成市政自来水管网出现负压。
-高品质智能型电脑控制。
-专用自主开发,具有多样化功能,能够提供尖端水准的精密控制,已经达到世界领先水平。
借压(或叠压)
-设备在运行时借助市政自来水管网的压力,并在此基础上增压,与从普通蓄水池吸水相比运行时可减少水泵台数或降低转速而达到节能目的
保持恒压压力
-设备实时通过压力传感器检测出口压力,将检测值和设定值进行比较运算,确定电机及水泵投入台数和变频器输出频率(反应为电机及水泵转速),以实现恒压供水的目的。
停电不断水
-供电线路停电时,系统通过旁通等手段实现停电不断水,即停电时系统自动切换为市政自来水压力供水。
高度自动化
-系统能实现全自动控制,具有手动/自动切换、主辅泵定时轮换、压力调整、恒压、高低电压保护、欠相保护、漏电保护、过载保护、过热保护、缺水保护、不用水停泵、瞬间跳闸保护等功能。另可根据用户需求配置人家界面,可视化远程调整、检测和维护。
卫生
-过流部件均采用不锈钢食品级材料制造,符合国际涉水卫生规范。
-箱式无负压装置能确保水箱内贮水通过用户用水每天自动更新,罐式无负压装置实时置换,确保用水卫生。
节省投资
-系统没有蓄水池等土建贮水设施,节省了占地面积,降低了建筑承载负荷,因而大大降低了投资费用。
节省运行费用
-系统保证管道恒压是根据用水量的变化调整投入台/套数和运转速度,用水量大时投入功率大,用水量小时投入功率小。小用水量时(如夜间)系统由小功率泵变频调速恒压供水。系统一直在高效率点运行。因而大大降低了运行费用。可节省能源60%以上。
-如市政管网有一定的压力,运行时只需在市政压力基础上补压即可。与传统具有蓄水池的供水设备相比达到同样的效果而从电网吸取的功率较小。节能效果十分显著。
-系统全自动运行无须专人值守,又因没有蓄水池等土建贮水设施,也没有水质处理仪器,免去定期清洗、消毒等工作。故进一步降低了运行费用。
u变频无负压自动增压给水设备

感谢您访问我们扬子江泵业的网站www.yzj.cc,如有任何水泵疑问我们一定会尽心尽力为您提供优质的服务。






